Gear&Parts para viajeros: empieza con buen pie con el código de descuento AMERIGO22026 - El envío gratuito no se puede combinar con el código de descuento.

Nuestras marcas

Hablemos de puentes y abarcones, dos accesorios náuticos imprescindibles para la fijación, bloqueo y fondeo a bordo, utilizados tanto en cubierta como bajo cubierta.

🔩 PUENTES NÁUTICOS

Los puentes son pequeños soportes metálicos con forma de “U” invertida que se fijan al puente u otras superficies.

Se utilizan para:

  1. Bloques y tapas de guía
  2. Coloque accesorios livianos (toldos, cuerdas elásticas, guardabarros)
  3. Puntos de anclaje para bandas elásticas o cordones
  4. A veces también se utiliza para cerrar puertas o cortinas.
✅ Características
  • Fijación con 2 tornillos pasantes o autorroscantes
  • Algunos modelos tienen una base plana o con forma para superficies curvas.
  • Disponible en acero inoxidable AISI 316 , plástico reforzado, latón cromado.
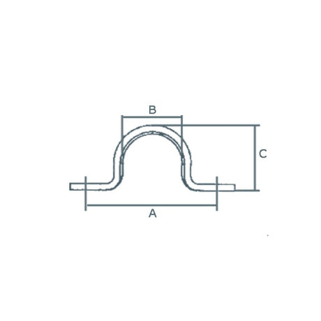
📏 Dimensiones comunes
  • Ancho: 20 a 50 mm
  • Distancia entre agujeros: de 15 a 40 mm
  • Altura: 10 a 25 mm
⛓️ U-BOLTS NÁUTICOS

Los pernos en U (también conocidos como pernos en U o abrazaderas en U ) son soportes en forma de “U” con roscas en los extremos.

Se utilizan para:

  1. Fijaciones estructurales (por ejemplo, bolardos, cáncamos, tensores, púlpitos)
  2. Anclajes pasantes muy robustos
  3. Soportes de alta resistencia (motores, barras antivuelco, antenas)
  4. Se pueden utilizar con placas de refuerzo internas.
✅ Tipos
  • Pernos en U simples → solo soporte y tuercas
  • Con placa de refuerzo → distribuye mejor la carga
  • Recubierto de caucho o PVC → para evitar la abrasión en tuberías y líneas
  • Pernos en U de base redonda o plana , también inclinados para superficies curvas
🛠️ Materiales
  • Acero inoxidable AISI 316 (uso marino, resistente a la corrosión)
  • Galvanizado → menos costoso pero no adecuado para uso a largo plazo en agua salada
✅ Consejos prácticos
  • Puentes : también son excelentes para asegurar lonas en cubierta o para bloquear lonas .
  • Pernos en U : utilice siempre una contraplaca al montarlos sobre fibra de vidrio o madera para evitar deformaciones.